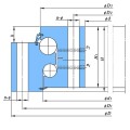
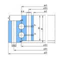
بلبرینگ دو ردیفه زاویه دار بدون دندانه
Get Latest Price| حداقل سفارش: | 1 |
نام تجاری: ZWZ
The file is encrypted. Please fill in the following information to continue accessing it

بیانیه حفظ حریم خصوصی: حریم خصوصی شما برای ما بسیار مهم است. شرکت ما قول می دهد که اطلاعات شخصی شما را برای هرگونه مجوزهای صریح خود برای هرگونه گسترش فاش نکند.
اطلاعات بیشتری را پر کنید تا بتواند سریعتر با شما در تماس باشد
بیانیه حفظ حریم خصوصی: حریم خصوصی شما برای ما بسیار مهم است. شرکت ما قول می دهد که اطلاعات شخصی شما را برای هرگونه مجوزهای صریح خود برای هرگونه گسترش فاش نکند.